- -20%
Marmitta Sitoplus 2 tempi per Aprilia Habana Kat 99-03
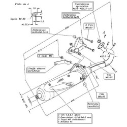
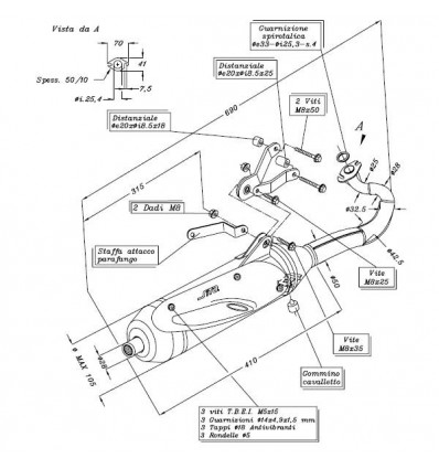
Marmitta Sito modello Sitoplus serie 2 tempi specifica per Aprilia Habana 50 Kat versioni 1999-2003. Questa marmitta si intercambia perfettamente a quella originale, rispetto... Leggi di più
Spedizioni espresse
Gratuite da € 149
Internationa shipping
on demand
Tanti Metodi di pagamento
sicuri
Registrati e ottieni
offerte riservate
Dettagli Marmitta Sitoplus 2 tempi per Aprilia Habana Kat 99-03
Marmitta Sito modello Sitoplus serie 2 tempi specifica per Aprilia Habana 50 Kat versioni 1999-2003. Questa marmitta si intercambia perfettamente a quella originale, rispetto alla quale è leggermente più aperta per migliorare anche le prestazioni e la durata nel tempo. Questo articolo rappresenta la perfetta alternativa al ricambio originale, normalmente più costoso.
Questo prodotto è omologato per uso stradale.
ATTENZIONE: La foto è indicativa del prodotto e potrebbe variare in qualche particolare.
Fare clic sulla marca desiderata per vedere i modelli compatibili
- Aprilia Habana 50
- Aprilia Habana 50 1999
- Aprilia Habana 50 2000
- Aprilia Habana 50 2001
- Aprilia Habana 50 2002
- Aprilia Habana 50 2003

















